產品簡介:
襯氟電動蝶閥采用帶有球形密封表面的襯氟塑料包襯蝶板,配以閥座基部的硅橡膠襯墊調節閥門的密封性能;該閥門操作輕便,具有嚴密的密封性能,超長的使用壽命;可作快速切斷或調節流量之用。適用于要求可靠密封和良好調節特性的場合。
襯氟電動蝶閥由于采用了聚四氟乙烯(FEP)為防腐襯層里料,所以具有很強的防腐性和耐磨性,再加上唇式彈性的獨特密封付的結構設計,較好的延長了產品的使用。
襯氟電動蝶閥在完成普通球閥輸送的介質外還能輸導大壓差和較大溫差變化范圍內的強腐蝕、沖刷、磨礪的一切酸、堿、鹽液體,有腐蝕性氣體及含有固體顆粒的混合性液體等介質。
產品特性:

1.采用FEP襯里,與液體接觸的過流部件全部為氟塑料,具有很強的防腐性和耐磨性,可適用于任何濃度的酸、堿等介質。是目前防腐設備最理想的選擇。
2.唇式彈性的獨特密封副的結構設計,較好的延長了產品的使用壽命。
3.PTFE密封材料,耐老化、耐腐蝕,使用壽命長。密封性能可達到零泄漏 。
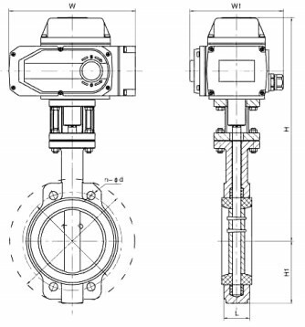
1.襯氟電動蝶閥安裝尺寸圖表
|
公稱通徑(DN) |
L |
D |
K |
n-Φd |
H1 |
H |
W1 |
W |
|
40 |
33 |
148 |
105 |
4-Φ16 |
48 |
250 |
138 |
167 |
|
50 |
43 |
165 |
125 |
4-Φ18 |
80 |
440 |
144 |
195 |
|
65 |
46 |
185 |
145 |
4-Φ18 |
89 |
450 |
144 |
195 |
|
80 |
46 |
200 |
160 |
8-Φ18 |
95 |
460 |
144 |
195 |
|
100 |
52 |
220 |
180 |
8-Φ18 |
114 |
480 |
144 |
195 |
|
125 |
56 |
250 |
210 |
8-Φ18 |
127 |
500 |
144 |
195 |
|
150 |
56 |
285 |
240 |
8-Φ22 |
139 |
520 |
144 |
195 |
|
200 |
60 |
340 |
295 |
8-Φ22 |
175 |
680 |
184 |
255 |
|
250 |
68 |
405 |
355 |
12-Φ22 |
203 |
700 |
184 |
255 |
|
300 |
78 |
460 |
410 |
12-Φ22 |
242 |
720 |
184 |
255 |
|
350 |
78 |
520 |
470 |
16-Φ22 |
267 |
1020 |
273 |
354 |
|
400 |
102 |
580 |
525 |
16-Φ22 |
297 |
1050 |
273 |
354 |
|
450 |
114 |
640 |
585 |
20-Φ26 |
315 |
1080 |
273 |
354 |
|
500 |
127 |
715 |
650 |
20-Φ26 |
348 |
1100 |
273 |
354 |
|
600 |
154 |
780 |
725 |
20-Φ30 |
444 |
1750 |
470 |
520 |
|
700 |
165 |
895 |
840 |
24-Φ30 |
528 |
1780 |
470 |
520 |
|
800 |
190 |
1015 |
950 |
24-Φ33 |
590 |
1820 |
470 |
520 |







